
Ткани растений
Основная ткань – паренхима (клетки не вытянутые и не плоские).- Хлоренхима – фотосинтезирует. В листе делится на столбчатую (лежит непосредственно под эпидермисом) и губчатую (лежит в глубине листа).
- Запасающая – входит в состав сложных тканей, например, в состав ксилемы и флоэмы, также содержится в запасающих органах растений (клубнях, луковицах, семенах).
- Воздухоносная (аэренхима) – содержит сильно развитые межклетники. Нужна для вентиляции, развита у растений, часть тела которых погружена в воду.
- Водоносная — развивается у растений, обитающих в условиях недостаточного увлажнения (суккулентов – кактусы, алоэ). Функция – запасание воды.
Образовательная ткань (меристема) обеспечивает рост растения. Состоит из мелких постоянно делящихся клеток с тонкой клеточной стенкой и мелкими вакуолями.
- Верхушечная (апикальная) меристема обеспечивает рост стебля и корня в длину.
- Камбий – меристема, за счет которой стебель растет в толщину. Откладывает внутрь от себя вторичную ксилему, наружу – вторичную флоэму. Сезонные изменения активности камбия приводят к образованию годичных колец древесины.
- Вставочная меристема находится у основания междоузлий побегов злаков, обеспечивает вставочный рост.
- Раневая меристема образуется в местах повреждений и способствует их заживлению.
Механическая ткань придаёт прочность органам растений.
- Колленхима состоит из живых клеток с утолщенными, но не одревесневшими первичными оболочками. Они способны к росту, поэтому не препятствуют росту органов, в которых они расположены. Для выполнения опорной функции требуется тургор.
- Склеренхима. Состоит из клеток с утолщенными одревесневшими оболочками. Клетки мертвые, поэтому не могут расти, но зато работают без тургора. Входит в состав проводящих тканей (лубяные и древесинные волокна).
Проводящая ткань состоит из проводящих элементов, волокон механической ткани и паренхимы.
-
По ксилеме (древесине) передвигается вода с минеральными солями от корня наверх. Проводящие элементы – сосуды и трахеиды. Трахеиды эволюционно более древние (есть у хвощей, плаунов, папоротников, голосеменных и покрытосеменных), cосуды характерны для покрытосеменных.
- По флоэме (лубу) передвигается вода с сахарами. Проводящие элементы – ситовидные трубки. Они живые, но безъядерные, поэтому рядом с ними находятся клетки-спутники, производящие РНК.
Покровная ткань отделяет растение от окружающей среды, образована плотно прилегающими клетками.
- Эпидермис состоит из плотно сомкнутых основных клеток (прозрачные, не фотосинтезируют), устьиц (регулируют газообмен и транспирацию, фотосинтезируют) и трихом (волосков).
- Пробка состоит из мертвых клеток, не пропускает через себя вещества. Всё, что лежит снаружи от пробки, отмирает, не может растягиваться и постепенно лопается (корка). В пробке есть отверстия чечевички для газообмена.
- Ризодерма содержит корневые волоски, покрывает зону всасывания кончика корня.
Как всё это расположено
Дополнительные материалы
ВИДЕО-УРОК ПО ДАННОЙ ТЕМЕ: ссылка для донов, ссылка для мастер-группы
ПОДРОБНЫЕ КОНСПЕКТЫ: Корень, Лист, Побег, Видоизмененные органы растений, Обзор образовательной, проводящей и механической ткани растений
ЗАДАНИЯ ЧАСТИ 2 ЕГЭ ПО ЭТОЙ ТЕМЕ
Задания части 1
ОСНОВНАЯ - ОБРАЗОВАТЕЛЬНАЯ
Установите соответствие между строением, значением ткани растения и её типом: 1) образовательная, 2) запасающая
А) образована крупными живыми клетками с тонкими оболочками
Б) состоит из более или менее однородных клеток, способных делиться
В) расположена в точках роста корней и побегов
Г) расположена в семенах, плодах, сердцевине стебля и других органах
Д) обеспечивает рост растения, образование новых органов и тканей
Е) служит местом отложения запасных веществ: белков, жиров, углеводов
Ответ
211212
ОБРАЗОВАТЕЛЬНАЯ - МЕХАНИЧЕСКАЯ - ПРОВОДЯЩАЯ - ПОКРОВНАЯ
Установите соответствие между примерами и типами растительных тканей: 1) проводящая, 2) механическая, 3) образовательная, 4) покровная. Запишите цифры 1-4 в порядке, соответствующем буквам.
А) эпидермис листа
Б) сосуды
В) ситовидные трубки
Г) зона деления корня
Д) кора стебля
Е) волокна древесины
Ответ
411342
ОБРАЗОВАТЕЛЬНАЯ - ПОКРОВНАЯ
1. Установите соответствие между характеристиками и видами растительных тканей: 1) покровная, 2) образовательная. Запишите цифры 1 и 2 в порядке, соответствующем буквам.
А) выполняет защитную функцию
Б) образована плотно прилегающими живыми или мёртвыми клетками
В) обеспечивает рост и развитие растения
Г) является исходной для всех остальных тканей
Д) осуществляет связь растения с окружающей средой
Е) располагается в конусе нарастания
Ответ
112212
2. Установите соответствие между особенностями и видами растительных тканей: 1) образовательная, 2) покровная. Запишите цифры 1 и 2 в порядке, соответствующем буквам.
А) обеспечивает рост растений
Б) клетки тонкостенные без хлоропластов и вакуолей
В) имеются устьица
Г) имеются чечевички
Д) обеспечивает газообмен
Е) клетки интенсивно делятся
Ответ
112221
МЕХАНИЧЕСКАЯ ТКАНЬ
Выберите три верных ответа из шести и запишите цифры, под которыми они указаны. Какими характеристиками обладает механическая ткань растений?
1) обеспечивает упругость стебля
2) образует волокна в стебле
3) обеспечивает газообмен
4) образует корневые волоски
5) входит в состав проводящих пучков
6) осуществляет транспирацию
Ответ
125
(А) Какое значение в стебле цветковых растений имеют механическая ткань? (Б) У какой группы цветковых растений механическая ткань развита хуже - у наземных или водных? (В) С какими физическими особенностями среды обитания выбранной группы растений это связано? Запишите три цифры в порядке, соответствующем буквам.
2) низкая плотность среды
3) поддерживает тело растения в вертикальном положении
4) небольшие колебания температуры
5) у наземных
6) защищает от механических повреждений
7) у водных
8) высокая плотность среды
Ответ
378

ПРОВОДЯЩИЕ ТАБ
Проанализируйте таблицу. Для каждой ячейки, обозначенной буквой, выберите соответствующий термин из предложенного списка.
1) восходящий ток воды и минеральных солей
2) между корой и древесиной
3) выделение продуктов обмена веществ
4) нисходящий ток органических веществ
5) образовательная ткань
6) ситовидные трубки
7) кора
8) сердцевина
Ответ
621
КСИЛЕМА
Выберите три верных ответа из шести и запишите цифры, под которыми они указаны. Какие из перечисленных признаков характерны для ксилемы?
1) является основной тканью растения
2) служит для проведения воды от корней к листьям
3) клетки имеют сильно вытянутую форму
4) в клетках есть хлоропласты
5) стенки клеток утолщены
6) клетки живые
Ответ
235
ФЛОЭМА
Выберите три верных ответа из шести и запишите цифры, под которыми они указаны. Какие из перечисленных признаков характерны для флоэмы?
1) служит для проведения воды от корней к листьям
2) является проводящей тканью растения
3) клетки лишены клеточной стенки
4) в клетках есть хлоропласты
5) клетки лишены ядер
6) клетки имеют клетки-спутницы
Ответ
256
КСИЛЕМА - ФЛОЭМА
1. Установите соответствие между признаком проводящей ткани и её типом: 1) ксилема (древесина), 2) флоэма (луб). Запишите цифры 1 и 2 в порядке, соответствующем буквам.
А) состоит преимущественно из живых клеток
Б) в стебле расположена снаружи от камбия
В) проводящие элементы — сосуды (трахеи)
Г) проводит воду и органические вещества
Д) обычно проводит воду и минеральные соли
Ответ
22121
2. Установите соответствие между характеристиками и структурами проводящих тканей растений: 1) сосуды, 2) ситовидные трубки. Запишите цифры 1 и 2 в порядке, соответствующем буквам.
А) наличие клеток-спутниц
Б) образуют древесину
В) расположение клеток в лубе
Г) передвижение воды с минеральными веществами
Д) обеспечение нисходящего тока веществ
Е) мёртвые толстостенные клетки
Ответ
212121
3. Установите соответствие между характеристиками и структурами проводящих тканей растений: 1) сосуды, 2) ситовидные трубки, 3) волокна. Запишите цифры 1-3 в порядке, соответствующем буквам.
А) многоклеточные полые трубки с одревесневшими стенками и отмершим содержимым
Б) вертикальные ряды живых клеток
В) длинные клетки с толстыми одревесневающими стенками и отмершим содержимым
Г) обеспечивают нисходящий ток воды с органическими веществами
Д) придают механическую прочность органам растений
Е) обеспечивают восходящий ток воды и минеральных веществ
Ответ
123231
4. Установите соответствие между характеристиками и типами проводящих тканей растений: 1) ксилема, 2) флоэма. Запишите цифры 1 и 2 в порядке, соответствующем буквам.
А) содержит лубяные волокна
Б) проводит вещества от фотосинтезирующих органов
В) проводящие элементы состоят из мёртвых клеток
Г) находится с нижней стороны жилки листа яблони
Д) проводит воду от корней
Е) содержит сосуды или трахеиды
Ответ
221211

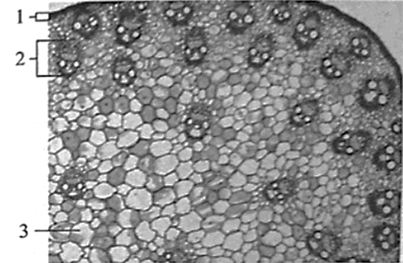
КСИЛЕМА - ФЛОЭМА РИС
1. Установите соответствие между характеристиками и частями стебля, обозначенными на рисунке. Запишите цифры 1 и 2 в порядке, соответствующем буквам.
А) расположение в коре
Б) наличие ситовидных трубок
В) наличие лубяных волокон
Г) проводящие элементы мёртвые
Д) ток веществ только восходящий
Е) транспорт растворённых в воде минеральных веществ
Ответ
111222

1+ Установите соответствие между характеристиками и тканями, обозначенными на рисунке выше цифрами 1, 2, 3. Запишите указанные цифры в порядке, соответствующем буквам.
А) недифференцированные клетки
Б) содержит ситовидные трубки
В) активное деление митозом
Г) проводящие элементы - сосуды и трахеиды
Д) содержит годичные кольца
Е) транспортирует продукты фотосинтеза
Ответ
232113

2. Экспериментатор снял кольцо коры с ветки дерева так, как это показано на рисунке. Как спустя несколько дней изменились:
А) концентрация углеводов в клетках коры выше кольца;
Б) скорость транспорта воды к листьям по этой ветке;
В) скорость транспорта углеводов к корням по этой ветке?
Для каждой величины определите соответствующий характер её изменения: (1) увеличилась, (2) уменьшилась, (3) не изменилась. Цифры в ответе могут повторяться.
Ответ
132

3. Рассмотрите рисунок с изображением анатомического строения корня. (А) Какая структура обозначена цифрой 1? (Б) Какая структура обозначена цифрой 2? (В) В какой зоне корня сделан данный поперечный срез? (Г) Какие особенности имеет покровная ткань в данной зоне? Запишите цифры в порядке, соответствующем буквам.
1) механические волокна
2) сосуды
3) всасывания
4) трихомы
5) роста
6) проведения
7) корневые волоски
8) ситовидные трубки
Ответ
2837
ПРОВОДЯЩИЕ - ПОКРОВНЫЕ
1. Установите соответствие между структурами и группами тканей: 1) проводящие, 2) покровные. Запишите цифры 1 и 2 в порядке, соответствующем буквам.
А) устьице
Б) механическое волокно
В) пробка
Г) корневой волосок
Д) ситовидная трубка
Е) железистый волосок
Ответ
212212
2. Установите соответствие между примерами и типами растительных тканей: 1) проводящие, 2) покровные. Запишите цифры 1 и 2 в порядке, соответствующем буквам.
А) эпидермис
Б) механическое волокно
В) пробка
Г) трахеиды
Д) ситовидная трубка
Е) корка
Ответ
212112

ПРОВОДЯЩИЕ - ПОКРОВНЫЕ РИС.
Установите соответствие между характеристиками и объектами на рисунке, обозначенными цифрами 1-3. Запишите цифры 1-3 в порядке, соответствующем буквам.
А) проводят органические вещества
Б) увеличивают площадь всасывания
В) транспортируют воду и соли
Г) срок жизни - несколько дней
Д) мертвые клетки
Е) живые безъядерные клетки
Ответ
231312
ПОКРОВНЫЕ
1. Выберите два верных ответа из пяти и запишите цифры, под которыми они указаны. Какие структуры растения участвуют в процессе фотосинтеза?
1) камбий
2) луб
3) устьица
4) хлоренхима
5) ксилема
Ответ
34
2. Выберите три верных ответа из шести. В состав покровных тканей растений входят:
1) устьица
2) чечевички
3) запасающая паренхима
4) корневые волоски
5) сосуды
6) механические волокна
Ответ
124
Выберите три верных ответа и запишите цифры, под которыми они указаны. Какую функцию выполняют устьица в жизни растений?
1) защищают от перегрева
2) способствуют двойному оплодотворению
3) всасывают воду
4) участвуют в переносе пыльцы
5) участвуют в газообмене
6) обеспечивают передвижение воды в растении
Ответ
156
У древесных растений по мере роста молодых побегов зелёный цвет стеблей сменяется бурым. Это явление связано с накоплением в клеточных оболочках жироподобного вещества суберина. В результате некоторые клетки становятся мёртвыми, толстостенными и заполняются воздухом. (А) К образованию какой ткани приводит накопление суберина? (Б) Какую ткань она сменяет? (В) Какие структуры данной ткани участвуют в газообмене? Запишите три цифры в порядке, соответствующем буквам.
1) кутикула
2) пробка
3) аэренхима
4) камбий
5) чечевички
6) эпидерма
7) сосуды
8) устьица
Ответ
265

Рассмотрите электронную фотографию поверхности листа растения. (А) Как называются структуры на поверхности листа? (Б) Производными какой ткани являются эти структуры? (В) Какую роль они играют в регуляции водного обмена? Запишите цифры в порядке, соответствующем буквам.
1) всасывают воду
2) эпидерма
3) микроворсинки
4) камбий
5) запасают воду
6) трихомы
7) снижают транспирацию
8) реснички
Ответ
627

Растение гинкго, относящееся к голосеменным растениям, называют палеонтологическим барометром. Плотность устьиц на его листьях зависит от концентрации углекислого газа в атмосфере. На графике показано изменение концентрации углекислого газа в различные геологические периоды. (А) Каким образом изменяется плотность устьиц у гинкго в зависимости от концентрации углекислого газа в атмосфере? (Б) Чем объясняется такая зависимость? (В) Как согласно графику изменилась плотность устьиц на листьях гинкго к середине юрского периода относительно его начала? Запишите три цифры в порядке, соответствующем буквам.
1) увеличилась
2) чем меньше углекислого газа, тем меньше плотность устьиц
3) через устьица выделяется углекислый газ, образующийся при дыхании
4) чем больше углекислого газа, тем меньше плотность устьиц
5) не изменилась
6) уменьшилась
7) через устьица поглощается углекислый газ, необходимый для фотосинтеза
8) замыкающие клетки устьиц нуждаются в углекислом газе для фотосинтеза
Ответ
476
ПОСЛЕДОВАТЕЛЬНОСТЬ ТКАНЕЙ
Установите последовательность расположения слоев на спиле дерева, начиная с пробкового слоя
А) камбий
Б) луб
В) пробка
Г) древесина
Д) сердцевина
Ответ
32145

Установите соответствие между характеристиками и растительными тканями, обозначенными цифрами на рисунке. Запишите цифры в порядке, соответствующем буквам. Цифры в ответе могут повторяться.
А) обеспечивает всасывание воды и минеральных солей из почвы
Б) входит в состав древесины
В)
содержит живые безъядерные клетки
Ответ
654

Установите соответствие между характеристиками и растительными тканями, обозначенными цифрами на рисунке. Запишите цифры в порядке, соответствующем буквам. Цифры в ответе могут повторяться.
Г) образует корневые волоски
Д) может заменяться пробкой
Е) может быть покрыта кутикулой, воском
Ответ
611

Установите соответствие между характеристиками и растительными тканями, обозначенными на рисунке цифрами 1, 2, 3, 4. Запишите цифры 1-4 в порядке, соответствующем буквам.
А) составляет мякоть листа
Б) приходит на смену первичной покровной ткани
В) обеспечивает активную транспирацию
Г) является главным структурным компонентом луба
Д) состоит из мёртвых опробковевших клеток
Е) является ассимилирующей тканью
Ответ
231432

Установите соответствие между характеристиками и растительными тканями, обозначенными на рисунке цифрами 4, 5, 6. Запишите эти цифры в порядке, соответствующем буквам.
А) откладывается камбием в направлении сердцевины стебля
Б) покрывает зону молодого корня
В) осуществляет транспорт веществ от листьев
Г) входит в состав луба
Д) всасывает воду из почвы за счет большой площади поверхности
Е) является проводящим элементом древесины
Ответ
564465

Установите соответствие между характеристиками и структурными элементами стебля, обозначенными цифрами на рисунке. Запишите цифры в порядке, соответствующем буквам. Цифры в ответе могут повторяться.
А) самое молодое годичное кольцо
Б) ткань, за счет которой стебель растет в толщину
В) ткань, клетки которой обозначены цифрой 2
Ответ
635
СОБИРАЕМ
Г) пробка
Д) проводит вещества за счет корневого давления и транспирации

Установите соответствие между характеристиками и структурными элементами стебля, обозначенными на рисунке цифрами 1, 2, 3, 4. Запишите цифры 1-4 в порядке, соответствующем буквам.
А) является проводящим элементом луба
Б) является образовательной тканью
В) проводит растворы минеральных солей
Г) сменяет эпидерму, или кожицу
Д) дает начало флоэме
Е) содержит ситовидные пластинки
Ответ
231432

Установите соответствие между характеристиками и структурными элементами стебля, обозначенными на рисунке цифрами 1, 2, 7, 8. Запишите указанные цифры в порядке, соответствующем буквам.
А) проводит органические вещества от листьев
Б) замещает кожицу
В) проводящие элементы представлены ситовидными трубками
Г) занимает до 90% стебля
Д) прочность ткани усиливают древесинные волокна
Е) запасает питательные вещества
Ответ
212778
Установите соответствие между утверждениями и их правильностью: 1) правильно, 2) неправильно. Запишите цифры 1 и 2 в порядке, соответствующем буквам.
А) В аэренхиме газы перемещаются исключительно путем диффузии.
Б) В жилке листа флоэма находится снизу, а ксилема – сверху.
В) На поверхности многолетнего корня находится пробка.
Ответ
111
В исследовании ученый измерял некоторые параметры срезов веток липы в течение нескольких лет. Как при этом в процессе развития растения изменялись:
А) толщина древесины;
Б) толщина коры;
В) толщина камбия?
Для каждой величины определите соответствующий характер её изменения: (1) увеличивалась, (2) уменьшалась, (3) не изменялась. Запишите цифры 1-3 в порядке, соответствующем буквам.
Ответ
113
ТКАНИ РАСТЕНИЙ И ЖИВОТНЫХ
1. Установите соответствие между тканью и организмом, для которого она свойственна: 1) растение, 2) животное.
А) эпителиальная
Б) запасающая
В) соединительная
Г) механическая
Д) образовательная
Е) покровная
Ответ
212111
2. Установите соответствие между тканью и царством организмов, для которого эта ткань характерна: 1) растения, 2) животные. Запишите цифры 1 и 2 в порядке, соответствующем буквам.
А) проводящая
Б) мышечная
В) запасающая
Г) основная
Д) соединительная
Ответ
12112
3. Выберите три верных ответа из шести и запишите цифры, под которыми они указаны. Какие ткани из перечисленных присутствуют только у растений?
1) первичная покровная
2) рыхлая волокнистая
3) механическая
4) ассимиляционная
5) покровный эпителий
6) железистый эпителий
Ответ
134
© Д.В.Поздняков, 2009-2020